Teralynx是Marvell推出的高性能網絡交換機系列,采用創新架構,提供高帶寬、低延遲、高端口密度、低功耗和靈活可編程性,適用于云數據中心(如ToR和Spine/Leaf架構)及AI集群(優化訓練與推理)。該系列已在全球大型云數據中心大規模部署,驗證了其可靠性和高效性能。
Ampleon是一家總部位于荷蘭的高科技公司,專注于射頻功率解決方案,擁有60年的技術積累,主要產品包括無線通信(4G/5G)、廣播、導航、工業及醫療領域的射頻放大器。公司憑借LDMOS和GaN技術優勢、全球16個站點的布局以及可靠的供應鏈,為通信、廣播、工業和醫療等行業提供高性能解決方案。
C4H27P400A是Ampleon公司推出的400W功率氮化鎵(GaN)晶體管,專為2620 MHz至2690 MHz頻段的基站射頻功率放大器設計,具有高效率(58%漏極效率)、寬帶設計、低輸出電容、內部匹配、塑料封裝等特點,符合RoHS標準,支持多載波應用,適合現代通信基站的高效功率放大需求。
Marvell? Prestera? 98DX45xx 系列是一款專為企業接入和邊緣網絡設計的高性能、多速率以太網交換機,適用于數字轉型背景下的多樣化網絡需求。該系列產品支持多千兆速度(1/2.5/5/10G)的下行端口和高容量上行鏈路(10/25/50/100G),滿足WiFi6和帶寬密集型應用的需求。98DX45xx系列通過高度集成的設計、豐富的功能和卓越的性能,為企業網絡提供了高速接入、靈活連接和安全可靠的解決方案,是接入和邊緣網絡部署的理想選擇。
DEI0429-WMB 是一款航空電子專用的 ARINC 429 線路驅動器,支持高速(100 kHz)和低速(12.5 kHz)數據傳輸,兼容 TTL 和 CMOS 輸入。它具有低功耗、可調轉換速率、過壓保護、寬溫度范圍(-55°C 至 +125°C)和兩種工作模式(429 和 422 模式),適用于飛機通信、導航和控制系統。封裝為 16 引腳陶瓷 SOICW。
Ampleon的ART2K5T系列是基于其先進的ART LDMOS技術開發的高功率分立晶體管,專為HF到UHF頻段(通常<500MHz)的高功率和堅固性需求設計。型號包括ART2K5T-100、ART2K5T-200和ART2K5T-400,分別支持100MHz、200MHz和400MHz頻率范圍。廣泛應用于工業(如等離子體生成)、科學(如MRI成像)、醫療(如CO?激光器)和廣播(如FM廣播)等領域。
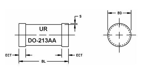
Microsemi 1N3595AUR是一款高可靠性開關二極管,采用金屬化鍵合、氣密封裝的雙插頭結構(DO-213AA),符合MIL-PRF-19500/241標準。其電氣特性包括寬范圍的正向電壓(0.52V-1.00V)、極低的反向漏電流(最大3μA)和快速反向恢復時間(≤3.0μs),適用于高頻開關、電源整流、脈沖電路及軍用航空電子設備。該二極管具有優異的熱性能,工作溫度范圍為-65°C至+175°C,支持高浪涌電流(1μs下4A)和125V直流反向電壓,封裝尺寸緊湊,引腳材料為銅包鋼,表面鍍錫/鉛,確保高穩定性和耐用性。
DEI0429-WMS是一款專為航空電子系統設計的高性能線路驅動器,支持ARINC 429、ARINC 571、ARINC 575和RS-422標準,適用于高速(100 kHz)和低速(12.5 kHz)數據傳輸。該驅動器廣泛應用于飛機通信、導航和飛行控制系統,確保數據傳輸的可靠性和穩定性。
Princeton Microwave的混頻器專為高性能和可靠性設計的射頻應用,如通信、雷達和電子戰。其主要特點包括:提供Watkins-Johnson混頻器的替代品,設計緊湊適用于空間受限的環境,工作頻率范圍從直流到3000 MHz,采用被動二極管技術,并提供多種封裝和尺寸以適應不同的應用需求。公司提供多種型號的混頻器,適用于不同的射頻和中頻范圍。
MTI-MILLIREN 專注于高性能石英晶體振蕩器及相關電子產品的設計與生產。其產品線豐富,涵蓋石英晶體振蕩器(XO)、溫度補償晶體振蕩器(TCXO)、壓控晶體振蕩器(VCXO)、恒溫晶體振蕩器(OCXO)、GPS可控振蕩器及頻率合成器等多種類型,廣泛應用于通信(蜂窩系統、衛星通信等)、航空航天與國防、工業與儀器儀表、便攜式設備等領域。
Linear Systems PAD-DFN 系列低漏電流二極管具有高反向擊穿電壓(≥-30V)、低反向電容(≤2.0pF)、低漏電流(最大反向漏電流根據型號不同,PAD5DFN 為 -5pA,PAD50DFN 為 -50pA)以及高可靠性(采用 8 引腳 DFN 封裝,體積小且非磁性),其連續功耗可達 300mW,工作結溫范圍為 -55°C 至 +150°C。該系列二極管適用于運算放大器保護和采樣保持電路等場景,提供多種封裝型號(如 DFN、TO-72、TO-92、SOT-23 等),滿足不同應用需求。
Connor Winfield的TFLD和TVLD系列是高精度TCXO和VCTCXO,專為電信設計,提供亞1ppm頻率穩定性,支持0-70°C或-40-85°C工作溫度,采用9×14mm表面貼裝封裝,符合RoHS標準,具有低抖動、三態功能和寬電壓范圍。
vishay CBB 和 CBC 是薄膜二進制 MOS 電容芯片,每片包含五個以二進制增量排列的不同容量電容,提供多種容量選擇。這些芯片采用 Vishay Electro-Films 的先進薄膜技術制造,經過 100% 電氣測試和目視檢查,符合 MIL-STD-883 標準。CBB 和 CBC 分別具有 0402 和 0404 封裝,容量范圍分別為最高 31 pF 和 93 pF,采用二氧化硅介質材料和半導體硅基底,背面鍍金,具有低介質損耗。它們設計用于通過線鍵合技術調整混合電路中的電容。
臺達(DELTA)HCB0750系列電感器是一系列高性能功率電感,適用于高電流和高頻率的電子設備應用。其電氣特性包括電感值范圍為70nH-150nH,直流電阻為0.19mΩ-0.46mΩ,飽和電流為34A-75A,脈沖電流為31A-48A,在25℃、100kHz和1V條件下表現出色,滿足多種高功率需求。
NXP Semiconductors 的 Layerscape? LS2088A 和 LS2048A 是基于 Arm? Cortex?-A72 架構的多核處理器,分別提供 8 核和 4 核配置,最高頻率達 2 GHz,專為高性能網絡、電信/數據通信、無線基礎設施、軍事和航空航天應用設計。其核心特性包括支持 DDR4 內存、8x 10 GbE 和 8x 1 GbE 以太網接口、L2 交換功能、MACSec 安全功能,以及強大的加速器(如 20 Gb/s 加密和數據壓縮引擎)和 PCIe Gen3 支持。此外,集成 TrustZone? 安全架構和服務處理器,適用于 5G 數據包處理、企業路由、網絡功能虛擬化(NFV)、SDN/OpenFlow? 交換、安全設備和存儲控制器等場景,并配有全面的軟件開發工具包(SDK)支持。
STATEK CXOQ/CXOQHG系列超小型石英晶體振蕩器(2.5x2.0mm)采用陶瓷封裝,具備高抗沖擊、低功耗和快速啟動特性,適用于醫療、國防、航空航天及工業領域,支持寬頻率范圍(16kHz-100MHz)和多種溫度穩定性等級,符合嚴苛環境需求。
QT2024L是一款專為高溫環境設計的低功耗、高精度實時時鐘(RTC)芯片,采用CMOS技術,支持3.3V直流供電。其核心優勢包括寬溫度范圍操作(-55°C至+185°C)、超低功耗(25°C時僅90μA)以及兼容FC-bus串行接口的高速數據傳輸(400kHz快速模式)。該芯片內置32.768kHz晶振電路,集成豐富的時鐘、日歷及中斷功能,適用于工業設備、汽車電子、醫療設備和物聯網終端等嚴苛環境下的高可靠性應用。
Bliley ATLH-G10MLR-EEC1B 是一款低功耗、緊湊型 GPS 馴服振蕩器,集成了高性能恒溫晶振(OCXO)和多頻段 GNSS 接收器,提供 10MHz 參考頻率輸出和 ±15ns 精度的 1PPS 時間同步,相位噪聲低至 -123 dBc/Hz,支持 GPS、GLONASS、Galileo 和北斗等系統。其功耗僅為 350mW,工作溫度范圍為 -40°C 至 +85°C,具備抗干擾、防欺騙和 MIL-STD 標準的抗震抗沖擊性能,適用于通信基站同步、網絡時間服務器、高精度測試設備和導航系統等場景。
Ampleon BLF189XRA是一款1700W的高功率LDMOS晶體管,專為HF到500MHz頻段設計,具備高功率輸出、優異的堅固性、熱穩定性和74%的高效率,集成雙側ESD保護并符合RoHS標準,適用于廣播發射機、工業加熱、醫療成像等寬帶應用。
RO4000? 系列高頻電路材料是玻璃增強型碳氫化合物和陶瓷層壓板,專為高性能、高容量的商業應用設計。該系列材料具有低損耗特性,可通過標準的FR-4工藝制造,提供卓越的高頻性能和成本效益。其特點包括優異的尺寸穩定性、低Z軸膨脹、集成薄膜電阻器和CAF抵抗能力,適用于全球通信系統、復雜多層電路和無線通信設備(如Wi-Fi、藍牙)等高可靠性應用。
在線留言