Renesas瑞薩RL78/G24微控制器MCU
發布時間:2024-04-10 09:37:52 瀏覽:3536
Renesas RL78/G24微控制器是一款處理性能強大的微控制器,具有以下主要特點:
1. 高性能:搭載RL78核心的CPU運行頻率高達48MHz,同時配備柔性應用加速器(FAA),實現更強大的處理能力。
2. 豐富的外設資源:具有增強的模擬功能和豐富的定時器,適用于電機控制、電源和照明應用。
3. 完善的開發環境:提供完善的開發環境,包括只連接USB線即可編寫/調試程序的評估板(Fast Prototyping Board)、專門用于電機與電源和照明解決方案初始評估的套件、以及可以通過GUI簡化設計的Smart Configurator。
4. 兼容性廣泛:與現有的RL78系列兼容,可無縫切換,適用于從家電、消費類電子產品到工業設備的廣泛用途。
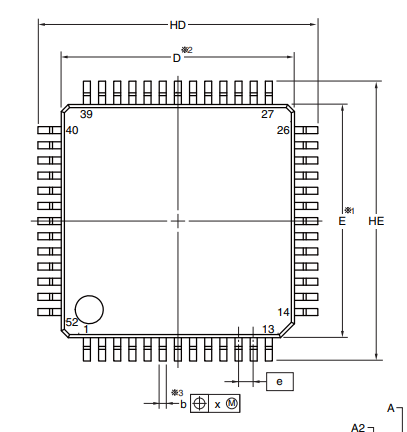
5. 多種封裝形式:可選的封裝形式包括SSOP、LQFP、LFQFP、HWQFN、WFLGA,滿足不同的應用需求。

基本規格包括:
- CPU:RL78 核心、最高 48MHz、FAA 核心
- 電壓范圍:1.6V至5.5V
- 內存:程序閃存:64KB/128KB,SRAM:12KB,數據閃存:4KB
- 工作溫度:不超過 125°C
- 定時器:12 路 16 位定時器、1 路看門狗定時器、1 路 32 位間隔定時器
- PWM 輸出:14 路 PWM 輸出
- 模擬功能:23 路 8/10/12 位 A/D 轉換器、2~3 路 8/10 位 D/A 轉換器、4 路比較器、1 路可編程增益放大器 (PGA)
- 片上振蕩器 頻率范圍:高速:最高 64MHz,中速:最高4MHz,低速:32.768kHz
- 其他特性:RTC、上電復位、低電壓檢測
產品選型:
| Product ID | 程序存儲器 (KB) | 內存 (KB) | 溫度范圍 | 數據閃存 (KB) | I/O 端口 | 產品尺寸 (mm) |
| R7F101G6E2DSP#CA1 | 64 | 12 | -40 to 85°C | 4 | 16 | 4.4 x 6.5 x 1.45 |
| R7F101G6E3CSP#CA1 | 64 | 12 | -40 to 105°C | 4 | 16 | 4.4 x 6.5 x 1.45 |
| R7F101G6E4CSP#CA1 | 64 | 12 | -40 to 125°C | 4 | 16 | 4.4 x 6.5 x 1.45 |
| R7F101G6G2DSP#CA1 | 128 | 12 | -40 to 85°C | 4 | 16 | 4.4 x 6.5 x 1.45 |
| R7F101G6G3CSP#CA1 | 128 | 12 | -40 to 105°C | 4 | 16 | 4.4 x 6.5 x 1.45 |
| R7F101G6G4CSP#CA1 | 128 | 12 | -40 to 125°C | 4 | 16 | 4.4 x 6.5 x 1.45 |
| R7F101G7E2DNP#AA1 | 64 | 12 | -40 to 85°C | 4 | 20 | 4 x 4 x 0.8 |
| R7F101G7E3CNP#AA1 | 64 | 12 | -40 to 105°C | 4 | 20 | 4 x 4 x 0.8 |
| R7F101G7E4CNP#AA1 | 64 | 12 | -40 to 125°C | 4 | 20 | 4 x 4 x 0.8 |
| R7F101G7G2DNP#AA1 | 128 | 12 | -40 to 85°C | 4 | 20 | 4 x 4 x 0.8 |
| R7F101G7G3CNP#AA1 | 128 | 12 | -40 to 105°C | 4 | 20 | 4 x 4 x 0.8 |
| R7F101G7G4CNP#AA1 | 128 | 12 | -40 to 125°C | 4 | 20 | 4 x 4 x 0.8 |
| R7F101G8E2DLA#AC1 | 64 | 12 | -40 to 85°C | 4 | 21 | 3 x 3 x 0.76 |
| R7F101G8E3CLA#AC1 | 64 | 12 | -40 to 105°C | 4 | 21 | 3 x 3 x 0.76 |
| R7F101G8G2DLA#AC1 | 128 | 12 | -40 to 85°C | 4 | 21 | 3 x 3 x 0.76 |
| R7F101G8G3CLA#AC1 | 128 | 12 | -40 to 105°C | 4 | 21 | 3 x 3 x 0.76 |
| R7F101GAE2DSP#AA1 | 64 | 12 | -40 to 85°C | 4 | 26 | 9.85 x 6.1 x 1.4 |
| R7F101GAE3CSP#AA1 | 64 | 12 | -40 to 105°C | 4 | 26 | 9.85 x 6.1 x 1.4 |
| R7F101GAE4CSP#AA1 | 64 | 12 | -40 to 125°C | 4 | 26 | 9.85 x 6.1 x 1.4 |
| R7F101GAG2DSP#AA1 | 128 | 12 | -40 to 85°C | 4 | 26 | 9.85 x 6.1 x 1.4 |
| R7F101GAG3CSP#AA1 | 128 | 12 | -40 to 105°C | 4 | 26 | 9.85 x 6.1 x 1.4 |
| R7F101GAG4CSP#AA1 | 128 | 12 | -40 to 125°C | 4 | 26 | 9.85 x 6.1 x 1.4 |
| R7F101GBE2DFP#AA1 | 64 | 12 | -40 to 85°C | 4 | 28 | 7 x 7 x 1.7 |
| R7F101GBE2DNP#AA1 | 64 | 12 | -40 to 85°C | 4 | 28 | 5 x 5 x 0.8 |
| R7F101GBE3CFP#AA1 | 64 | 12 | -40 to 105°C | 4 | 28 | 7 x 7 x 1.7 |
| R7F101GBE3CNP#AA1 | 64 | 12 | -40 to 105°C | 4 | 28 | 5 x 5 x 0.8 |
| R7F101GBE4CNP#AA1 | 64 | 12 | -40 to 125°C | 4 | 28 | 5 x 5 x 0.8 |
| R7F101GBG2DFP#AA1 | 128 | 12 | -40 to 85°C | 4 | 28 | 7 x 7 x 1.7 |
| R7F101GBG2DNP#AA1 | 128 | 12 | -40 to 85°C | 4 | 28 | 5 x 5 x 0.8 |
| R7F101GBG3CFP#AA1 | 128 | 12 | -40 to 105°C | 4 | 28 | 7 x 7 x 1.7 |
| R7F101GBG3CNP#AA1 | 128 | 12 | -40 to 105°C | 4 | 28 | 5 x 5 x 0.8 |
| R7F101GBG4CNP#AA1 | 128 | 12 | -40 to 125°C | 4 | 28 | 5 x 5 x 0.8 |
| R7F101GEE2DNP#AA1 | 64 | 12 | -40 to 85°C | 4 | 36 | 6 x 6 x 0.8 |
| R7F101GEE3CNP#AA1 | 64 | 12 | -40 to 105°C | 4 | 36 | 6 x 6 x 0.8 |
| R7F101GEE4CNP#AA1 | 64 | 12 | -40 to 125°C | 4 | 36 | 6 x 6 x 0.8 |
| R7F101GEG2DNP#AA1 | 128 | 12 | -40 to 85°C | 4 | 36 | 6 x 6 x 0.8 |
| R7F101GEG3CNP#AA1 | 128 | 12 | -40 to 105°C | 4 | 36 | 6 x 6 x 0.8 |
| R7F101GEG4CNP#AA1 | 128 | 12 | -40 to 125°C | 4 | 36 | 6 x 6 x 0.8 |
| R7F101GFE2DFP#AA1 | 64 | 12 | -40 to 85°C | 4 | 40 | 10 x 10 x 1.6 |
| R7F101GFE3CFP#AA1 | 64 | 12 | -40 to 105°C | 4 | 40 | 10 x 10 x 1.6 |
| R7F101GFG2DFP#AA1 | 128 | 12 | -40 to 85°C | 4 | 40 | 10 x 10 x 1.6 |
| R7F101GFG3CFP#AA1 | 128 | 12 | -40 to 105°C | 4 | 40 | 10 x 10 x 1.6 |
| R7F101GGE2DFB#AA1 | 64 | 12 | -40 to 85°C | 4 | 44 | 7 x 7 x 0.8 |
| R7F101GGE2DNP#AA1 | 64 | 12 | -40 to 85°C | 4 | 44 | 7 x 7 x 1.7 |
| R7F101GGE3CFB#AA1 | 64 | 12 | -40 to 105°C | 4 | 44 | 7 x 7 x 0.8 |
| R7F101GGE3CNP#AA1 | 64 | 12 | -40 to 105°C | 4 | 44 | 7 x 7 x 1.7 |
| R7F101GGE4CFB#AA1 | 64 | 12 | -40 to 125°C | 4 | 44 | 7 x 7 x 0.8 |
| R7F101GGG2DFB#AA1 | 128 | 12 | -40 to 85°C | 4 | 44 | 7 x 7 x 0.8 |
| R7F101GGG2DNP#AA1 | 128 | 12 | -40 to 85°C | 4 | 44 | 7 x 7 x 1.7 |
| R7F101GGG3CFB#AA1 | 128 | 12 | -40 to 105°C | 4 | 44 | 7 x 7 x 0.8 |
| R7F101GGG3CNP#AA1 | 128 | 12 | -40 to 105°C | 4 | 44 | 7 x 7 x 1.7 |
| R7F101GGG4CFB#AA1 | 128 | 12 | -40 to 125°C | 4 | 44 | 7 x 7 x 0.8 |
| R7F101GJE2DFA#AA1 | 64 | 12 | -40 to 85°C | 4 | 48 | 10 x 10 x 1.6 |
| R7F101GJE3CFA#AA1 | 64 | 12 | -40 to 105°C | 4 | 48 | 10 x 10 x 1.6 |
| R7F101GJE4CFA#AA1 | 64 | 12 | -40 to 125°C | 4 | 48 | 10 x 10 x 1.6 |
| R7F101GJG2DFA#AA1 | 128 | 12 | -40 to 85°C | 4 | 48 | 10 x 10 x 1.6 |
| R7F101GJG3CFA#AA1 | 128 | 12 | -40 to 105°C | 4 | 48 | 10 x 10 x 1.6 |
| R7F101GJG4CFA#AA1 | 128 | 12 | -40 to 125°C | 4 | 48 | 10 x 10 x 1.6 |
| R7F101GLE2DFA#AA1 | 64 | 12 | -40 to 85°C | 4 | 58 | 12 x 12 x 1.6 |
| R7F101GLE2DFB#AA1 | 64 | 12 | -40 to 85°C | 4 | 58 | 10 x 10 x 1.7 |
| R7F101GLE3CFA#AA1 | 64 | 12 | -40 to 105°C | 4 | 58 | 12 x 12 x 1.6 |
| R7F101GLE3CFB#AA1 | 64 | 12 | -40 to 105°C | 4 | 58 | 10 x 10 x 1.7 |
| R7F101GLG2DFA#AA1 | 128 | 12 | -40 to 85°C | 4 | 58 | 12 x 12 x 1.6 |
| R7F101GLG2DFB#AA1 | 128 | 12 | -40 to 85°C | 4 | 58 | 10 x 10 x 1.7 |
| R7F101GLG3CFA#AA1 | 128 | 12 | -40 to 105°C | 4 | 58 | 12 x 12 x 1.6 |
| R7F101GLG3CFB#AA1 | 128 | 12 | -40 to 105°C | 4 | 58 | 10 x 10 x 1.7 |
相關推薦:
推薦資訊
Wi2Wi的PDI品牌烤箱控制晶體振蕩器 (OCXO) 可確保在最苛刻的情況下提供精確的頻率。具有超低相位噪聲、高振動容限、多種流行封裝和雙密封石英晶體。PDI品牌OCXO提供標準和定制頻率。Wi2Wi 提供從客戶原型打字需求到批量生產的快速樣品,并提供有競爭力的價格和準時交貨。
Infineon的IGCM20F60GA三相智能電源模塊是一款600V,20A的電源模塊,采用反向導電IGBT技術,具有耐用的SOI柵極驅動器技術,內置多種保護功能,適用于低功率電機驅動器,家電和工業自動化等領域。
在線留言