Glenair 7引腳濾波器插座CB07C1L1F,CB07C2L1F,CB07C3L1F,CB07C4L1F
發布時間:2024-11-01 10:48:10 瀏覽:1467
GlenairCB07C1L1F,CB07C2L1F,CB07C3L1F,CB07C4L1F屬于CB系列“PogoPin”連接器,是一種 7針濾波鎖緊螺母插座,用于后面板安裝,專為減小高頻電氣干擾而設計,符合歐洲標準的CB07連接器規范。

| 7 Pin Filter Receptacle | |||
| Polarizing Position (White) | Polarizing Position 2 (Yellow) | Polarizing Position 3 (Green) | Polarizing Position 4 (Pink) |
| CB07C1L1F | CB07C2L1F | CB07C3L1F | CB07C4L1F |
產品概述
材質:外殼為不銹鋼,表面鍍黑鉻。
插針材質:銅合金,表面鍍金,確保良好的導電性能和耐腐蝕性。
密封性:硅膠O形密封圈,防水等級為IP68,符合MIL-STD-810標準,支持1米水深浸泡。
使用壽命:能承受5000次插拔,適合惡劣環境使用。
產品規格
電容:在25°C、1 kHz條件下為3000 pF,耐壓1 Vrms。
耐壓(DWV):最高支持50 V DC。
最大電流:2.5安培。
絕緣電阻:至少5000兆歐,保證高絕緣性能。
結構與安裝
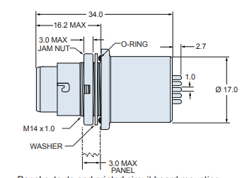
鎖緊螺母:不銹鋼材質,表面鍍黑鉻,用于固定在面板上,最大鎖緊厚度為3.0毫米。
安裝孔尺寸:M14 x 1.0螺紋安裝,適合常見面板厚度。
PCB焊接點模式:標注有安裝孔和焊接點的具體尺寸,確保匹配電路板安裝要求。
面板與電路板安裝
圖中顯示了該插座的PCB安裝孔的尺寸圖和位置標記,使得用戶可以精確安裝和連接。
其他特性
尺寸:外徑為20毫米,插孔直徑為17毫米。
O形圈位置:面板與插座接觸處有O形圈,確保防水密封效果。
插孔排列:圖中標明了各插孔的位置和角度,為插頭與插座的正確對接提供指導。
總體來說,該產品非常適合用于需要高可靠性、抗干擾能力強的電氣連接場合,尤其是在惡劣的環境中。

推薦資訊
TE Connectivity ?的 MULTIGIG RT 3 和 MULTIGIG RT 2-S 連接器是一系列高速背板連接器,符合 VITA 46 (VPX) 連接器的接口尺寸,可在 16 至 25+ Gb/s 的數據速度下運行。MULTIGIG RT 3 和 MULTIGIG RT 2-S 系列連接器均經過加固處理,符合 VITA 振動標準,額定配接次數高達 500 次。該系列連接器向后兼容傳統的 MULTIGIG RT 產品,可定制以滿足應用要求,并包括一個保證連接的四冗余端子系統。
Hypertronics?連接器的Nebula系列是一個高度可靠的SATA 6.0 Gbps連接器系列,專為惡劣環境和空間、國防和工業市場的堅固存儲應用而設計。Hypertronics Nebula系列連接器用于傳輸和接收重要數據,提供大容量存儲設備所需的絕對可靠性,并確保在最極端條件下的最大傳輸速度;
在線留言