RFCR2888嵌入式X波段同軸環形器RFCI
發布時間:2025-02-21 13:40:56 瀏覽:1218

RFCR2888是一款高性能的嵌入式X波段同軸環形器,專為需要高頻率、低損耗和高隔離度的應用設計。以下是該環形器的詳細介紹:
產品概述
RFCR2888環形器工作在X波段,頻率范圍從8000 MHz到10500 MHz,覆蓋了X波段的主要頻率。這種環形器在雷達、通信和電子對抗系統中有廣泛的應用,特別是在需要高頻率和高隔離度的場合。
機械特性
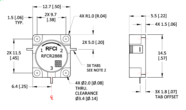
尺寸:該環形器的尺寸為12.7 mm(0.50英寸)寬,6.4 mm(0.25英寸)高,適合嵌入式安裝。
安裝:設計有4個直徑為1.5 mm(0.06英寸)的安裝孔,方便固定。
引腳:2個直徑為5.0 mm(0.20英寸)的引腳,3個引腳的偏移量為1.8 mm(0.07英寸),確保了良好的電氣連接和機械穩定性。
電氣性能
頻率范圍:8000 MHz至10500 MHz,覆蓋了X波段的主要頻率。
插入損耗:典型值小于0.35 dB,最大值0.50 dB,保證了信號傳輸的低損耗。
隔離度:最小值18 dB,典型值大于22 dB,提供了良好的信號隔離,防止信號干擾。
回波損耗:最小值18 dB,典型值大于22 dB,確保了良好的信號反射特性。
功率和溫度等級
正向功率:最大500/50瓦特,能夠承受高功率信號。
反向功率:最大35瓦特,適用于連續波(CW)操作。
工作溫度:-40至+85°C,適用于各種環境條件。
存儲溫度:-40至+95°C,確保了在極端溫度下的存儲安全。
應用
RFCR2888環形器適用于需要高頻率、低損耗和高隔離度的應用,如:
雷達系統:用于信號的分離和保護接收器。
通信系統:用于信號的隔離和方向控制。
電子對抗:用于信號的干擾和保護。
RFCI是一家專業生產射頻(RF)環行器和隔離器的公司,產品覆蓋了從50 MHz到20 GHz的頻率范圍,廣泛應用于通信和無線基礎設施。深圳市立維創展科技有限公司優勢代理銷售RFCI產品,歡迎咨詢了解。
推薦資訊
QMC-MX4K-F1841是Quantum Microwave研發的模塊化4倍頻器,輸入4-10.5GHz(可擴展,需調整功率),輸出16-42GHz,由兩個獨立2倍頻器組成,支持拆分使用。關鍵性能包括高輸出功率(+20dBm典型值)、低諧波(-20dBc典型值),輸入功率-3至0dBm(低頻段需-12dBm),供電8-10VDC/550mA。采用SMA(輸入)與2.92mm(輸出)接口,尺寸80×38×12.7mm,適用于毫米波通信(5G/6G)、雷達、衛星上行鏈路及實驗室測試,兼顧頻率穩定性與靈活性。
Bird的Master RF檢測套件為現場技術人員和工程師提供了安裝、系統故障排除、同軸電纜和天線系統維護及其系統性能指標分析所需要的所有專用設備。
在線留言