20 dB),適用于衛星通信、雷達及基站等射頻系統。其耐功率達250W峰值/25W均值,工作溫度范圍-40至+85°C,采用緊湊設計(外徑12.1mm×高4.4mm),配備3引腳(間距2.0mm)和4個1.0mm安裝孔,滿足嚴苛環境下的高隔離信號傳輸需求。">
RFCI RFCR2911法蘭安裝嵌入式環行器
發布時間:2025-04-11 09:07:24 瀏覽:1433
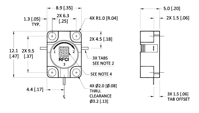
這是RFCI生產的RFC2911的法蘭安裝嵌入式同軸環行器。環行器是一種用于微波和射頻通信系統中的非互易性器件,它允許信號在一個方向上通過,而在相反方向上阻止信號。RFCR2911環行器適用于需要高隔離度和低插入損耗的射頻和微波應用,如衛星通信、雷達系統和無線通信基站。

電氣規格
頻率范圍:13.0 GHz至16.0 GHz
插入損耗:典型值小于0.45 dB,最大值0.50 dB
隔離度:典型值大于20 dB,最小值18 dB
回波損耗:典型值大于20 dB,最小值18 dB
功率和溫度等級
正向功率:峰值/平均值250/25W
反向功率:最大10W
工作溫度:-40至+85°C
存儲溫度:-40至+95°C
機械尺寸
尺寸:外徑12.1mm,高度4.4mm
安裝孔:4個直徑1.0mm的安裝孔
引腳:3個引腳,間距2.0mm
引腳偏移:1.5mm
RFCI是一家專業生產射頻(RF)環行器和隔離器的公司,產品覆蓋了從50 MHz到20 GHz的頻率范圍,廣泛應用于通信和無線基礎設施。深圳市立維創展科技有限公司優勢代理銷售RFCI產品,歡迎咨詢了解。
推薦資訊
Renaissance 的 10A4NA-180 是一款高性能 180° 3dB 混合耦合器,專為 2.2-2.4 GHz 頻段設計,關鍵特性包括:低插入損耗(3.5 dB)、20W 高功率處理能力,同時保持卓越的 幅度平衡(0.4 dB) 和 相位平衡(≤1.5°)。采用緊湊型模塊化設計(1.725×3.025×0.56 英寸),適用于 機載通信鏈路,在 -20°C 至 65°C 工作溫度下穩定運行,滿足飛行系統嚴苛環境需求。
HAP全聚酰亞胺低釋氣加熱器是Minco推出的高性能加熱解決方案,采用蝕刻箔技術實現高達260°C(定制款)的耐溫和33W/in2的功率密度,具有輕薄、耐化學腐蝕、快速熱響應等特點,通過丙烯酸壓敏膠簡化安裝,適用于航天(衛星部件、推進系統)、光電子(相機鏡片、望遠鏡)、新能源(鋰電池熱管理)及真空測試等高端領域,其低釋氣特性特別滿足航空航天和精密儀器的嚴苛要求。
在線留言