Renaissance 12A4BG-40N雙定向耦合器
發布時間:2025-07-25 08:56:22 瀏覽:1702
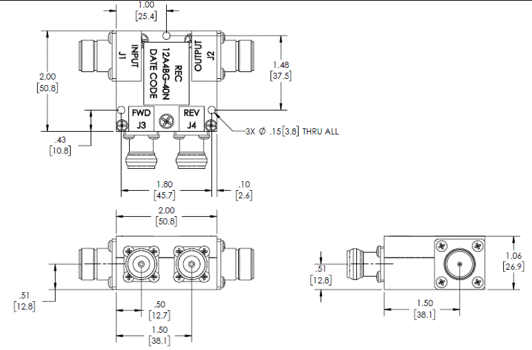
Renaissance 12A4BG-40N是一款雙定向耦合器,由 Renaissance Electronics公司生產。其工作頻率范圍為700MHz至4.2GHz,尺寸為2×2×1.06英寸,適用于測試和測量應用。


Renaissance Electronics & Communications, LLC 是一家專注于高可靠性無源和有源組件以及子系統的設計和制造公司,其產品廣泛應用于軍事和商業領域。HXI公司(已被Renaissance收購)是一家專注于射頻和微波技術的公司,主要為國防、太空和航空市場提供廣泛的產品線,包括低噪聲放大器、功率放大器、頻率倍增器、混頻器/上變頻器、波導隔離器和環行器以及PIN開關等,頻率覆蓋從18 GHz至110 GHz。深圳市立維創展科技有限公司優勢供銷Renaissance/HXI產品,歡迎咨詢了解。
推薦資訊
在航空耳機的世界里,成年飛行員有很多選擇,從被動降噪到主動降噪。從基本型號到適合挑剔飛行員的優質ANR耳機。但是,青少年航空也適用這類型的耳機嗎?
Kuhne electronic的MKU LNA 144 A是一款專用于144-146 MHz頻率范圍的低噪聲放大器(LNA),具有卓越的0.35 dB±0.05低噪聲系數和25-28 dB增益,提供24 dBm典型輸出三階交調截點(IP3)。
在線留言